COMPANY HEADER
Request Information
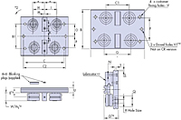
The HepcoMotion Fixed Center Carriage is designed for use with track systems with unidirectional bends of a common radii 40 and for use with double edge ring slides and segments. The unique geometry enables carriages on a track system to travel from straight to curve with negligible play in the transition zone. Such play as may develop is not detrimental to the performance of the system*1.
Carriages are available with twin or double row (DR) bearings, and with floating bearings. Carriages with twin bearings have the smoothest running quality and have some compliance to accommodate misalignment. Carriages with DR bearings have better load capacity and stiffness. Due to the rigidity of DR bearings, carriages with this option are supplied as Controlled Height (CHK)*5 as standard.
The corrosion resistant version has stainless steel bearings and fasteners, and a high performance USDA approved surface treatment to the aluminum carriage plate in place of the standard anodized finish.
Unit of Measure

Specifications

For use with Ring Slides and Curved Segments

N/A R44 468 R360/R180/R90

For use with Track System

N/A TR44 468

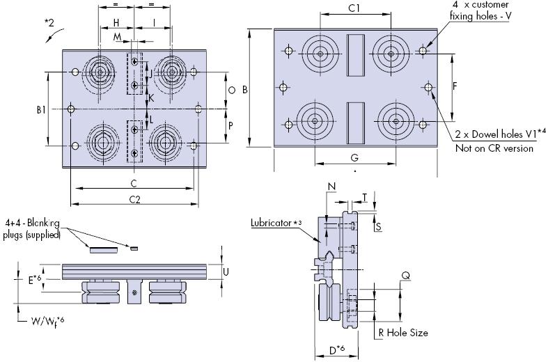
Dimension A

N/A 145 mm

Dimension B

N/A 116 mm

Dimension B1

N/A 75 in

Dimension C

N/A 120 mm

Dimension C1

N/A 65 mm

Dimension C2 (± 0.01)

N/A 125 mm

Dimension D

N/A 38.5 mm

Dimension E

N/A 26 mm

Dimension F

N/A 71.9 mm

Dimension G

N/A 75.95 mm

Dimension H

N/A 35.22 mm

Dimension I

N/A 40.73 mm

Dimension J

N/A 22 mm

Dimension K

N/A 25.8 mm

Dimension L

N/A 23 mm

Dimension M (Ø)

N/A 5.3 mm

Dimension M (Depth)

N/A 4.5 mm

Dimension NØ

N/A 3.2 mm

Dimension O

N/A 38.25 mm

Dimension P

N/A 35.94 mm

Dimension Q (Ø)

N/A 25 mm

Dimension Q (Depth)

N/A 8.7 mm

Dimension RØ (Hole Size) (F6)

N/A 10 mm

Dimension RØ Tolerance (Hole Size) (F6)

N/A +0.013 mm+0.022 mm

Dimension S

N/A 2 in

Dimension T

N/A 6 mm

Dimension U

N/A 14.5 mm

Dimension V

N/A M8

Dimension V1Ø (K6)

N/A 8 mm

Dimension V1Ø Tolerance (K6)

N/A - 0.007 mm+0.002 mm

Dimension W

N/A 21.3 mm

Dimension Wf

N/A 23.2 mm

Weight

N/A 1080 g

Manufacturing Notes

N/A For 1: Fixed center carriages will experience a reduction in preload or a slight clearance as they pass between the curves and straights on a track system, but this is rarely an issue. This clearance is detailed on 57. Please note the FCC25 159 has a larger than normal clearance. Bogie carriages 47 are not subject to clearance.
For 2: Offset holes in carriage for eccentric bearings necessitate adjustment rotation in the direction shown.
For 3: It is recommended that carriages are fitted with lubricators. The quantity of lubricators may be reduced in systems with many carriages or where the bleed lubrication facility is used.
For 4: Dowel holes V1 define the center and may be used for location purposes. They are not included as standard on the corrosion resistant version, but are available on special request.
For 5: CHK controlled height carriages use CHK bearings and are supplied in sets, matched by their E dimension. It is recommended to specify CHK for precision applications or where consistent carriage heights are important. CHK is standard for carriages with DR bearings.
For 6: The W dimension is greater for carriages with floating bearings - see Wf in the table. Dimensions D and E will change for carriages with floating bearings. The amount of float is indicated by dimension B 1